Оборудование
Интеграция UHF считывателей
BioSoftTrade
16 августа 2023 г.
3 мин
Содержание
01
Введение
02
Решение
03
Работа по Wiegand-26
04
Работа по RS485
05
Протокол обмена по RS485

Введение

UHF считыватели (Ultra-High Frequency) - это устройства, используемые для чтения информации на RFID-метках (Radio Frequency Identification) с использованием радиочастотного сигнала.

UHF считыватели обычно имеют компактный размер и могут быть установлены на стенах или других поверхностях. Они работают в диапазоне частот 860-960 МГц и обеспечивают дальность чтения до 6-10м.

Решение

Мы работаем с UHF считывателями CHAFON. Рассмотрим интеграцию считывателя на примере модели CF-RU5106.

CF-RU5106 - UHF считыватель, работает в диапазоне частот 865-868 МГц 902-928 МГц, передача данных осуществляется по протоколу ISO18000-6B/6C, дальность считывания метки 6-8м. Поддерживает работу по интерфейсам RS232/RS485/Wiegand26

Считыватель может работать в 2-х режимах:

  • режим, когда считыватель отслеживает попадание метки его поле (стандартный режим работы);
  • режим, когда считыватель отслеживает, когда метка уходит из его поля действия (часто применяется на складах, когда необходимо следить за передвижением грузов).

Для настройки считывателя мы используем программу под windows UHFReader18. Для настройки считывателя его необходимо подключить к ПК через COM-порт. При запуске программы указывается порт подключения, baud, либо IP, если считыватель поддерживает TCP/IP. Перед пользователем откроется окно конфигураций считывателя, где можно настроить такие параметры, как интерфейс подключения, протокол передачи, мощность антенны, диапазон рабочих частот и др.

uhf readers 1

Работа по Wiegand-26

Интерфейс Wiegand состоит из трех проводов: земли, данных 0 (Data0) и данных 1 (Data1). Данные передаются в виде последовательности импульсов, где каждый импульс длится от 50 до 200 микросекунд. Импульс на линии D0 соответствует биту 0, а импульс на линии D1 соответствует биту 1.

Работа по Wiegand - это самый простой режим, по которому считыватель передаёт 26 бит: 24 бит кода и 2 бит контроля на четность. Из 24 бит кода первые 8 бит - это код производителя, а остальные 16 бит - это номер метки.

Работа по RS485

Интерфейс RS-485 (другое название - EIA/TIA-485) - один из наиболее распространенных стандартов физического уровня связи. Физический уровень - это канал связи и способ передачи сигнала (1 уровень модели взаимосвязи открытых систем OSI).

Сеть, построенная на интерфейсе RS-485, представляет собой приемопередатчики, соединенные при помощи витой пары - двух скрученных проводов. В основе интерфейса RS-485 лежит принцип дифференциальной (балансной) передачи данных. Суть его заключается в передаче одного сигнала по двум проводам. Причем по одному проводу (условно A) идет оригинальный сигнал, а по другому (условно B) - его инверсная копия. Другими словами, если на одном проводе “1”, то на другом “0” и наоборот. Таким образом, между двумя проводами витой пары всегда есть разность потенциалов: при “1” она положительна, при “0” - отрицательна. Именно этой разностью потенциалов и передается сигнал. Такой способ передачи обеспечивает высокую устойчивость к синфазной помехе.

uhf readers 2

Аппаратная реализация интерфейса - микросхемы приемопередатчиков с дифференциальными входами/выходами (к линии) и цифровыми портами (к портам UART контроллера). Существуют два варианта такого интерфейса: RS-422 и RS-485.

В наших контроллерах используется RS485 - полудуплексный интерфейс. Прием и передача идут по одной паре проводов с разделением по времени

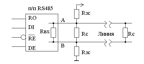
Приемники большинства микросхем RS-485 имеют пороговый диапазон распознавания сигнала на входах A-B - ±200мВ. Если |Uab| меньше порогового (около 0), то на выходе приемника могут быть произвольные логические уровни из-за несинфазной помехи. Такое может случиться либо при отсоединении приемника от линии, либо при отсутствии в линии активных передатчиков, когда никто не задает уровень. Чтобы в этих ситуациях избежать выдачи ошибочных сигналов на приемник, необходимо на входах A-B гарантировать разность потенциалов Uab > +200мВ. Это смещение при отсутствии входных сигналов обеспечивает на выходе приемника логическую “1”, поддерживая, таким образом, уровень стопового бита.

Добиться этого просто - прямой вход (А) следует подтянуть к питанию, а инверсный (B) - к “земле”. Получается делитель:

uhf readers 3

В контроллере TC C1R и TC X0 это реализовано. Однако в самом считывателе нет согласующих резисторов, поэтому при подключении большого количество считывателей по RS485 между линиями A и B возле каждого считывателя необходимо подключить внешний резистор номиналом 120 Ом.

Протокол обмена по RS485

Считыватель взаимодействует с контроллером с помощью интерфейса связи RS485 и выполняет соответствующую операцию в соответствии с командой хоста. Параметры связи:

  • Скорость 57600 бит/с.
  • 1 стартовый бит.
  • 8 бит данных.
  • 1 стоп-бит без бита проверки четности.

Процедура связи поддерживается контроллером, отправляющим команды и данные считывателю, а считыватель возвращает статус результата и данные контроллеру после выполнения команды.

Считыватель получает команду, выполняет команду только после завершения выполнение предыдущей команды. Если отправить новую команду считывателю во время выполнения текущей - новая команда будет потеряна.

В следующей таблице показан процесс выполнения команды:

uhf table 1

Интервал между двумя последовательными байтами в блоке данных должен составлять менее 15 мс. Во время отправки блока данных синхронизация будет потеряна, если контроллер получит какие-либо данные от считывателя, и контроллер прекратит отправку команд и перезапустит связь через 15 мс.

Обратная связь по результатам выполнения команды выглядит следующим образом:

uhf table 2

Интервал между двумя последовательными байтами в блоке данных ответа должен составлять менее 15 мс.

Формат команды запроса данных выглядит следующим образом:

uhf table 3 uhf table 4

Формат ответа считывателя выглядит следующим образом:

uhf table 5 uhf table 6

Весь протокол обмена очень большой, если вам необходимы подробности - вы можете связаться с нами. Также вы можете обратиться к нам, если вы хотите реализовать свое решения со считывателями UHF.


Поделиться
Похожие статьи
Работа с динамическим преобразователем Z-SG SENECA
18 августа 2023 г.
2 мин